39 jelaskan prosedur permintaan dan pertanggungjawaban pengeluaran dana kas kecil

Rpp Kas Kecil Adm Perkantoran I. TUJUAN PEMBELAJARANSetelah mempelajari materi menyiapkan pengelolaan dana kas kecil ini, diharapkan siswa dapat:1. Menjelaskan pengertian dana kas kecil 2. Menjelaskan prosedur dalam mengelola kas kecila. Permintaan dan pertanggungjawaban pengeluaran kas kecilc. MENGELOLA DANA KAS KECIL - PDF Download Gratis Permintaan dan Pertanggungjawaban Pengeluaran Dana Kas Kecil Pengeluaran dana kas kecil dimulai dengan adanya permintaan pengeluaran dana 3. Jelaskan prosedur pengelolaan dana kas kecil 4. Jelaskan perbedaan pencatatan kas kecil dalam sistem imprest dan sistem fluktuasi 5...

Prosedur Permintaan dan Pertanggug jaaban Pengeluaran Dana... Pengeluaran dana kas kecil dimulai dengan adanya permintaan pengeluaran dana kas kecil oleh pemakai yang ditujukan kepada pemegang dana kas kecil. Pemakai dana kas kecil berkewajiban mempertanggungjawabkan pemakaian dana kas kecil dengan membuat pertanggungjawaban...

Jelaskan prosedur permintaan dan pertanggungjawaban pengeluaran dana kas kecil

Jelaskan prosedur permintaan dan pertanggungjawaban pengeluaran dana kas kecil

Prosedur Permintaan dan Pertanggung Jawaban Pengeluaran Dana... Fungsi pemegang dana kase kecil bertanggung jawab atas penyimpanan dana kas kecil, pengeluaran dana kas kecil sesuai dengan otorisasi dari pejabat tertentu yang ditunjuk dan permintaan pengisian kembali dana kas kecil. 4. Fungsi Yang memerlukan pembayaran tunai. PDF Menurut Mulyadi (2016:2) sistem adalah kumpulan dari unsur-unsur yang Prosedur permintaan dan pertanggungjawaban pengeluaran dana kas kecil dengan imperest system dimulai dari Pemakai Dana Kas Kecil yang membuat Permintaan Pengeluaran Kas Kecil (PPKK) rangkap dua. PPKK lembar pertama dan kedua diberikan kepada Pemegang Dana Kas Kecil. Prosedur Permintaan Dan Pertanggungjawaban Pengeluaran Dana... Pemegang dana kas kecil memeriksa pertanggungjawaban pemakaian dana kas kecil berdasarkan DP, PPKK rangkap pertama dan BPKK. Pemegang dana kas kecil membuat permintaan pengisian kembali kas kecil dengan menggunakan formulir permintaan Pengisian Kembali Kas Kecil (PP3K)...

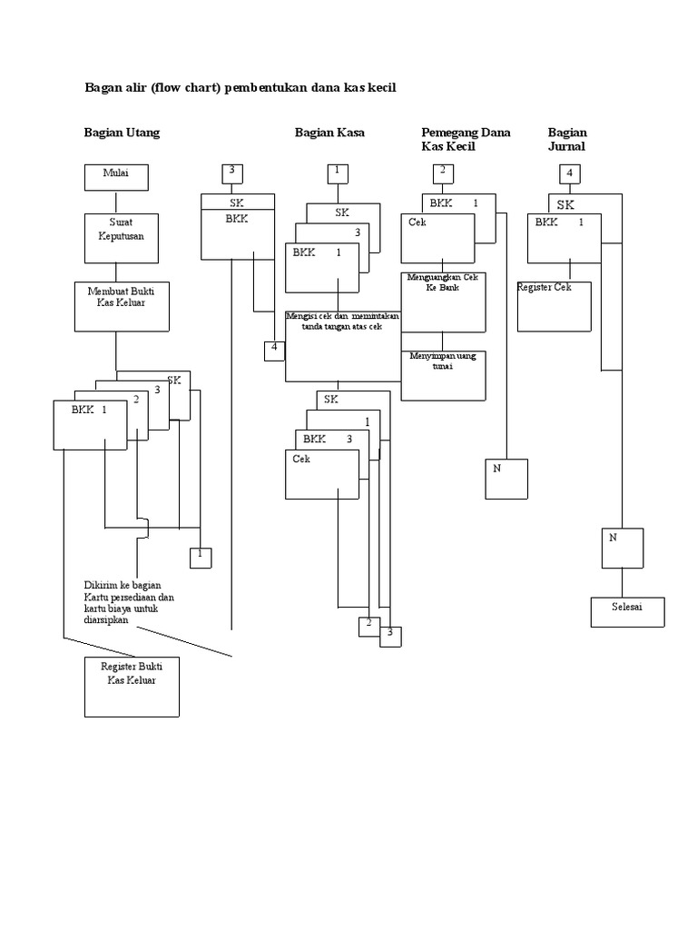
Jelaskan prosedur permintaan dan pertanggungjawaban pengeluaran dana kas kecil. dana kas kecil Dana kas kecil di bentuk (disediakan) berdasarkan surat keputusan kepala bagian keuangan. Dalam perusahaan yang memiliki standar prosedur akuntansi semua jenis pengeluaran kas melibatkan bagian hutang sehingga unit organisasi yang terlibat dalam prosedur pembentukan dana kas kecil... Prosedur Pembentukan dan Pertanggungjawaban dana Kas Kecil Siswa mampu menjelaskan prosedur pembentukan dana kas kecil, permintaan dan pertanggungjawaban pengeluaran dana kas kecil Pemegang kas kecil, biasanya ditunjuk oleh Direktur/Manajer keuangan yang berkewajiban mempertanggungjawabkan pemakaian dana kas kecil. PROSEDUR PENERIMAAN dan PENGELUARAN KAS... - YouTube Prosedur permintaan dan pertanggungjawaban pengeluaran dana... 1. Pemakai dana kas kecil membuat permintaan pengeluran kas kecil (PPKK) rangkap 2 dan dikirim kepada pemegang dana kas kecil. Dalam Pengelolaan dana kas kecil,terdapat dua metode pecatatan kas kecil yang dapat digunakan metode yang biasa digunakan yaitu imprest fund system...

Prosedur Pengelolaan Dana Kas Kecil dengan Metode Dana Tetap Formulir permintaan, mencakup permintaan pengeluaran kas kecil dan pengisian kembali kas kecil. Bagian kasa menerima lembar 1 dan 3 bukti pengeluaran kas dari bagian hutang. Bagian kasa kemudian menyediakan cek sejumlah yang tertera di lembar tersebut untuk ditandatangani... Prosedur permintaan dan pertanggung jawaban pengeluaran dana... Menjelaskan Prosedur Pembentukan Dana Kas Kecil, Permintaan dan Pertanggungjawaban Pengeluaran Dana Kas Kecil, Prosedur Dalam sisem dana tidak tetap, bukti pengeluaran kas kecil diserahkan oleh pemegang dana ke bagian jurnal untuk dicatat dalam jurnal pengeluaran kas... Jelaskan prosedur pembentukan dan pertanggungjawaban dana... Prosedur Permintaan Dan Pertanggungjawaban Pengeluaran Dana Kas Kecil Dalam Sistem Dana Kas Kecil Dengan Imprest System. Pemegang dana kas kecil memeriksa pertanggungjawaban pemakaian dana kas kecil berdasarkan DP, PPKK rangkap pertama dan BPKK. (DOC) Administrasi Dana Kas Kecil | Dea Puspita - Academia.edu G. Prosedur Permintaan dan Pertanggungjawaban Pengeluaran Dana Kas Kecil. Pada sistem saldo tetap, pengeluaran dana kas kecil tidak dicatat dalam catatan akuntansi, pemegang dana kas kecil hanya mengarsipkan dokumen permintaan pengeluaran kas kecil berdasarkan abjad nama...

Kas Kecil : Pengertian, Fungsi, Ciri, Tujuan & Metodenya Lengkap Kas Kecil merupakan suatu dana atau uang tunai yang dimiliki perusahaan untuk keperluan operasional perusahaan yang sifatnya relatif kecil dan kurang efisien apabila pembayarannya menggunakan cek. Kas kecil ini juga harus selalu tersedia pada perusahaan untuk aktivitas... Pengeluaran dana kas kecil Penyelenggaraan dana kas kecil untk memungkinkan pengeluaran kas dengan uang tunai dapat diselenggarakan dengan dua cara. a. Sistem Dalam sistem saldo berfluktuasi, penyelenggaraan dana kas kecil dilakukan dengan prosedur sebagai berikut Pembentukan dana kas kecil dicatat... Dana Kas Kecil | My Blogger G. Prosedur Pembentukan Dana Kasa Kecil Fungsi yang terkait dalam prosedur pembentukan dana kas kecil anatara lain: 1. Bagian Utang: a 2. Prosedur berdasarkan Metode Dana Fluktuasi (Fluctuating Fund System) Prosedur permintaan dan pertanggungjawaban pengeluaran kas kecil... b Prosedur permintaan dan pertanggungjawaban pengeluaran... (10) Semua bukti pengeluaran kas dipertanggungjawabkan oleh kasir. 2.3.6 Bagan Alir Dokumen Berikut adalah gambar 2.3 bagan alir dokumen prosedur permintaan dan pertanggungjawaban pengeluaran dana kas kecil dengan sistem saldo berfluktuasi (Mulyadi, 2001: 539).

SI1214472420 - widuri

SI1214472420 - widuri

pengeluaran dana kas kecil - Kompasiana.com Dana kas kecil dibentuk berdasarkan surat keputusan kepala bagian keuangan. Dalam perusahaan yang memiliki standar prosedur operasional, semua jenis pengeluaran kas melibatkan bagian utang sehingga unit organisasi yang terlibat dalam prosedur pembentukan dana kas kecil adalah bagian...

Kasir pengelola dana kas kecil harus mampu mengenali dokumen ...

Kasir pengelola dana kas kecil harus mampu mengenali dokumen ...

1.6 Prosedur Permintaan dan Pertanggungjawaban Pengeluaran... Fungsi pemegang dana kas kecil bertanggung jawab terhadap penyimpanan dana kas kecil, pengeluaran dana kas kecil sesuai dengan otorisasi dari pejabat tertentu yang ditunjuk, dan permintaan pengisian kembali dana kas kecil. d. Fungsi yang Memerluakan Pembayaran Tunai.

BAB II LANDASAN TEORI 2.1. Pengertian Kas Kas adalah aset ...

BAB II LANDASAN TEORI 2.1. Pengertian Kas Kas adalah aset ...

Pengertian, Tujuan, Metode dan Contoh Kas Kecil - Jurnal Contoh petty cash kas kecil adalah dana pengeluaran rutin dan relatif kecil jumlahnya. Bagaimana pencatatan laporan di buku jurnal kas kecil? Pengisian dana kas kecil dilakukan dengan penarikan cek yang sama jumlahnya dengan dana kas kecil yang telah digunakan sehingga jumlah dana petty...

SISTEM PENGELUARAN KAS 1. PENGELUARAN KAS DENGAN CEK 2. DANA ...

SISTEM PENGELUARAN KAS 1. PENGELUARAN KAS DENGAN CEK 2. DANA ...

Sistem akuntansi pengeluaran kas dengan dana kas kecil menurut... Penyelenggaraan dana kas kecil untuk memungkinkan pengeluaran kas dengan uang tunai dapat diselenggarakan dengan dua cara yaitu dengan sistem saldo Pengisian kembali dana kas kecil ini dilakukan dengan cek dan dicatat dengan mendebit rekening biaya dan mengkredit dana kas kecil.

PPT - Bab 14. Sistem Akuntansi Pengeluaran Kas PowerPoint ...

PPT - Bab 14. Sistem Akuntansi Pengeluaran Kas PowerPoint ...

Vensensia Yuliana : SOAL PILIHAN GANDA DAN JAWABANNYA... 5.Jelaskan prosedur permintaan dan pertanggungjawaban pegeluaran dana kas kecil! 5. Prosedur permintaan dan pertanggungjawaban dana kas kecil f. Menerima surat permintaan pengeluaran dana kas kecil lembar kedua yang telah

SOAL PILIHAN GANDA DAN JAWABANNYA TENTANG DANA KAS KECIL Soal ...

SOAL PILIHAN GANDA DAN JAWABANNYA TENTANG DANA KAS KECIL Soal ...

Dana kas kecil Suatu sistem pengelolaan dana kas kecil yang saldo rekeningnya tidak tetap dan tergantung pada besar kecilnya pengeluaran yang terjadi untuk periode tertentu, misalnya dalam waktu dua minggu, satu bulan,dsb. 7. Prosedur Permintaan dan Pertanggungjawaban Pengeluaran Kas Kecil.

b Prosedur permintaan dan pertanggungjawaban pengeluaran dana ...

b Prosedur permintaan dan pertanggungjawaban pengeluaran dana ...

Soal Pilihan Ganda Dan Jawabannya Tentang Dana Kas Kecil | PDF dana kas kecil c.Tempat pencatatan pengeluaran kas untuk pengisian kembali dana kas kecil d.Tempat mencatat setiap transaksi 4.Jelaskan pihak-pihak yang terkait dengan pengelolaan dana kas kecil! 5.Jelaskan prosedur permintaan dan pertanggungjawaban pegeluaran dana kas keci l!

BAB II KAJIAN PUSTAKA A. Landasan Teori 1. Sistem Kas Kecil a ...

BAB II KAJIAN PUSTAKA A. Landasan Teori 1. Sistem Kas Kecil a ...

Report "Soal Pilihan Ganda Dan Jawabannya Tentang Dana Kas Kecil" 5.Jelaskan prosedur permintaan dan pertanggungjawaban pegeluaran dana kas keci l! RPP KAS KECIL KELAS XII APPage 11 Kunci Jawaban: a pembentukan dana kas kecil dari Bagia hutang. b. Mencatat bukti pengeluaran kas dalam buku jurnal pengeluaran kas. c. Mengarsipkan bukti...

Bab 14. Sistem Akuntansi Pengeluaran Kas - ppt download

Bab 14. Sistem Akuntansi Pengeluaran Kas - ppt download

Ilmu Pengetahuan: Administrasi Dana Kas Kecil Dana kas kecil di bentuk (disediakan) berdasarkan surat keputusan kepala bagian keuangan. · Menerima bukti pengeluaran kas lembar 1 dan 3 dilampiri surat pembentukan dana kas kecil dari bagian hutang. F. Prosedur Permintaan dan Pertanggungjawaban Pengeluaran Dana Kas Kecil.

Kas Kecil | PDF

Kas Kecil | PDF

Bagaimana Prosedur Pengeluaran Kas? - Dictio Community "Penyelenggaraan dana kas kecil untuk memungkinkan pengeluaran kas dengan uang tunai dapat diselenggarakan dengan dua cara yaitu dengan : sistem saldo berfluktuasi (fluctuating-fund-balance system) dan sistem prosedur permintaan dan pertanggungjawaban pengeluaran dana kas kecil.

Soal Pilihan Ganda Dan Jawabannya Tentang Dana Kas Kecil

Soal Pilihan Ganda Dan Jawabannya Tentang Dana Kas Kecil

b. Prosedur Pengeluaran Dana Kas Kecil Untuk... A.Pengertian dan Fungsi Dana Kas Kecil ( Petty Cash ). Pengeluaran kas didalam prakteknya, tidak semua Biasanya pengeluaran-pengeluaran yang dilakukan melalui dana kas kecil adalah Dari penjelasan tersebut maka jelaslah bahwa dana kas kecil yang dikelola dengan sistem Imprest Fund...

BAB II TINJAUAN PUSTAKA

BAB II TINJAUAN PUSTAKA

Sistem Akuntansi Kelompok 1 (2016): SISTEM KAS 2) Prosedur permintaan dan pertanggungjawaban pengeluaran dana kas kecil. Fungsi ini bertanggung jawab atas penyimpanan dana kas kecil, pengeluaran dana kas kecil sesuai dngan otorisasi dari pejabat tertenyu yang ditunjuk, dan permintaan pengisian kembali dana kas kecil.

BAB II Tujuan Pustaka

BAB II Tujuan Pustaka

Prosedur Permintaan Dan Pertanggungjawaban Pengeluaran Dana... Pemegang dana kas kecil memeriksa pertanggungjawaban pemakaian dana kas kecil berdasarkan DP, PPKK rangkap pertama dan BPKK. Pemegang dana kas kecil membuat permintaan pengisian kembali kas kecil dengan menggunakan formulir permintaan Pengisian Kembali Kas Kecil (PP3K)...

Kumpulan Pengertian: Pengertian Pengeluaran Kas Menurut Para Ahli

Kumpulan Pengertian: Pengertian Pengeluaran Kas Menurut Para Ahli

PDF Menurut Mulyadi (2016:2) sistem adalah kumpulan dari unsur-unsur yang Prosedur permintaan dan pertanggungjawaban pengeluaran dana kas kecil dengan imperest system dimulai dari Pemakai Dana Kas Kecil yang membuat Permintaan Pengeluaran Kas Kecil (PPKK) rangkap dua. PPKK lembar pertama dan kedua diberikan kepada Pemegang Dana Kas Kecil.

b Prosedur permintaan dan pertanggungjawaban pengeluaran dana ...

b Prosedur permintaan dan pertanggungjawaban pengeluaran dana ...

Prosedur Permintaan dan Pertanggung Jawaban Pengeluaran Dana... Fungsi pemegang dana kase kecil bertanggung jawab atas penyimpanan dana kas kecil, pengeluaran dana kas kecil sesuai dengan otorisasi dari pejabat tertentu yang ditunjuk dan permintaan pengisian kembali dana kas kecil. 4. Fungsi Yang memerlukan pembayaran tunai.

BAB II KAJIAN PUSTAKA A. Landasan Teori 1. Sistem Kas Kecil a ...

BAB II KAJIAN PUSTAKA A. Landasan Teori 1. Sistem Kas Kecil a ...

SI1014464565 - widuri

SI1014464565 - widuri

Lampiran Peng Kas 1-Flip eBook Pages 1 - 4| AnyFlip | AnyFlip

Lampiran Peng Kas 1-Flip eBook Pages 1 - 4| AnyFlip | AnyFlip

Mengelola Administrasi Dana Kas Kecil

Mengelola Administrasi Dana Kas Kecil

7 BAB II LANDASAN TEORI 2.1 Pengertian Sistem Menurut Mulyadi ...

7 BAB II LANDASAN TEORI 2.1 Pengertian Sistem Menurut Mulyadi ...

Sistem akuntansi pengeluaran kas dengan dana kas kecil ...

Sistem akuntansi pengeluaran kas dengan dana kas kecil ...

SI1214472420 - widuri

SI1214472420 - widuri

Bagan Alir 1 | PDF

Bagan Alir 1 | PDF

Soal Uji Kompetensi Administrasi Perkantoran [+Kunci Jawaban ...

Soal Uji Kompetensi Administrasi Perkantoran [+Kunci Jawaban ...

Cara Mudah Mengelola Kas Kecil dengan Sistem Imprest

Cara Mudah Mengelola Kas Kecil dengan Sistem Imprest

7 BAB II LANDASAN TEORI 2.1 Pengertian Sistem Menurut Mulyadi ...

7 BAB II LANDASAN TEORI 2.1 Pengertian Sistem Menurut Mulyadi ...

Kasir pengelola dana kas kecil harus mampu mengenali dokumen ...

Kasir pengelola dana kas kecil harus mampu mengenali dokumen ...

Beranda Akuntansi Keuangan: Flowchart Kas kecil petty cash ...

Beranda Akuntansi Keuangan: Flowchart Kas kecil petty cash ...

Mengelola Administrasi Dana Kas Kecil

Mengelola Administrasi Dana Kas Kecil

BAB II TINJAUAN PUSTAKA

BAB II TINJAUAN PUSTAKA

Modul Kas Kecil - Flip eBook Pages 1-50 | AnyFlip

Modul Kas Kecil - Flip eBook Pages 1-50 | AnyFlip

BAB II KAJIAN PUSTAKA A. Landasan Teori 1. Sistem Kas Kecil a ...

BAB II KAJIAN PUSTAKA A. Landasan Teori 1. Sistem Kas Kecil a ...

Prosedur Penanganan Kas Kecil - ANUGERAH DINO

Prosedur Penanganan Kas Kecil - ANUGERAH DINO

ACCOUNTING SYSTEM TASKS: SISTEM KAS SUBSISTEM PENGELUARAN KAS

ACCOUNTING SYSTEM TASKS: SISTEM KAS SUBSISTEM PENGELUARAN KAS

Bab 14 sistem akuntansi pengeluaran kas - ppt download

Bab 14 sistem akuntansi pengeluaran kas - ppt download

BAB II LANDASAN TEORITIS A. Kas, Penggolongan Kas, dan ...

BAB II LANDASAN TEORITIS A. Kas, Penggolongan Kas, dan ...

Pengisian Kembali Dana Kas Kecil.... Tapi LBH Lengkap | PDF

Pengisian Kembali Dana Kas Kecil.... Tapi LBH Lengkap | PDF

Prosedur Pembentukan Dana Kas Kecil | PDF

Prosedur Pembentukan Dana Kas Kecil | PDF

Prosedur Pembentukan Dana Kas Kecil | PDF

Prosedur Pembentukan Dana Kas Kecil | PDF

0 Response to "39 jelaskan prosedur permintaan dan pertanggungjawaban pengeluaran dana kas kecil"

Post a Comment

Iklan Atas Artikel

Iklan Tengah Artikel 1

Iklan Tengah Artikel 2

Iklan Bawah Artikel